PLC自动化控制在电气自动化和智能化控制中应用相当的广泛,电力作业人员都知道,PLC的自动化控制除了需要输入既定的程序外,还有要对PLC本身进行输入端口和输出端口的接线,只有PLC的程序指令正确,输入端口和输出端口接线正确,PLC才能自动化控制,电工老师傅都知道,PLC既可以接受开关量控制也可以接受模拟量控制,二者是可以相互转换的。
今天我们就重点来看看PLC的外部接线以及开关量信号和模拟量信号是如何转换的:
PLC外部接线(外部接线方式)
汇点式——各个I/O电路有一个公共点,共用一个电源。
分组式——I/O分成若干组,每组I/O共用一个电源,各组电源可以不同。
分割式——各个I/O点之间相互隔离,每个I/O可以使用独立电源。

PLC外部接线(输入模块)
输入接口作用:将按钮、行程开关或传感器等产生的信号,转换成数字信号送入主机。

▲ 直流输入电路图1
隔离电路采用光电耦合器,再给RC滤波滤波电路送入PLC的CPU,可以防止外部干扰源和触点抖动等情况。




▲交流输入电路图
发光二极管和光耦均采用反并联结构,在交流输入的正负半波分别导通,C1起隔直作用。
PLC外部接线(输出模块)
1)继电器输出:低速大功率直流、交流负载(隔离、功率放大);
2)晶体管集电极输出:高速小功率直流负载;
3)双向可控硅输出:高速大功率。
继电器输出模块

响应速度小于10ms,主要是由于机械触点动作延时造成。负载电源由外部提供,与触点并联的RC电路和压敏电阻用来消除触点断开时产生的电弧。
晶体管输出模块

放大采用大功率晶体管或场效应管,响应速度小于1ms,晶体管工作在饱和导通状态和截止状态,图中稳压二极管用来抑制关断过电压和浪涌电压。
晶闸管输出模块

隔离采用光电可控硅,放大采用双向可控硅。响应时间有两种情况:可控硅由关断变为导通的延迟时间小于1ms,由导通变为关断延迟时间小于10ms。RC电路和压敏电阻用以抑制可控硅的关断过电压和外部的浪涌电压。
模拟量输入模块(A/D、AI)
A/D作用:将现场仪表输出的(标准)模拟量信号0-10mA、4-20mA、1-5VDC等转化为计算机可以处理的数字信号。
A/D转换的性能指标
分辨力*:A/D接口变化一个LSB(二进制更低有效位)时输入模拟量的最小变化量。例:12位A/D转换器,输入范围0~10VDC,分辨力=10/2¹²=2.44mV(通常分辨率以输入二进制数的位数来表示:10位、12位分辨率)。
线性误差:实际转换特性曲线与理想转换特性曲线之间的更大偏差。包括:偏移误差(0输入非0输出)、非线性误差等。线性误差通常以LSB的分数表示:如±1/2LSB、±1LSB等。
转换时间*:从启动转换到转换结束完成一次A/D转换所需要的时间。
模拟量输出模块(D/A、A0)
D/A作用:将计算机内部的数字信号转化为现场仪表可以接收的标准信号4-20mA等。如:12位数字量(0~4095)→4-20mA,2047对应的转换结果:12mA。
D/A转换的性能指标
分辨力:二进制变化一个LSB(更低有效位)时D/A输出模拟量的最小变化量(通常分辨率以输入二进制数地位数来表示:10位、12位D/A转换器)。
线性误差:实际转换特性曲线与理想转换特性曲线之间的更大偏差。包括偏移误差(0输入非0输出)、非线性误差等。线性误差通常以LSB的分数表示:如±1/2LSB、±1LSB等。
建立时间:当输入数字量变化时,输出的模拟信号稳定在相应的数值范围之内(±0.5xLSB)所经历的时间。
LM3107E AI 通道等效电路图

LM3107E A0通道等效电路图

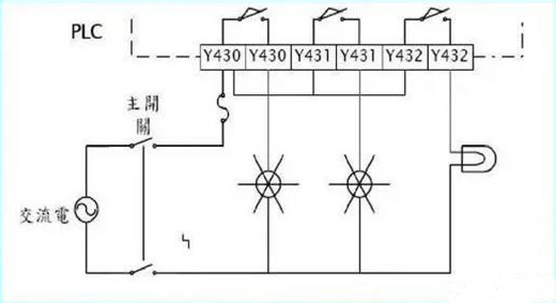
外部开关量输入接线方法(FX)重要通知

外部开关量输出接线方法(FX)

西门子S7-300系统连接图

西门子S7-200系列CPU224 I/O端子定义与接线图



TAG:
10kva伺服电子变压器 |
15kva伺服电子变压器 |
15mm伺服电机 |
1kva伺服电子变压器 |
2000w伺服驱动器 |
20kva伺服电子变压器 |
220v伺服电子变压器 |
220v直流无刷电机驱动器 |
220v转110v电子变压器 |